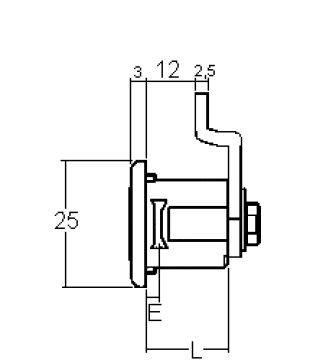
Cylindre à languette à fourchette 6240 Rohner Serrure à fourchette avec came R15929.77 pour boîte aux lettres RENZ/MOFOR avec 2 clés