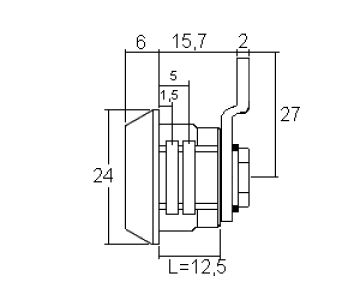
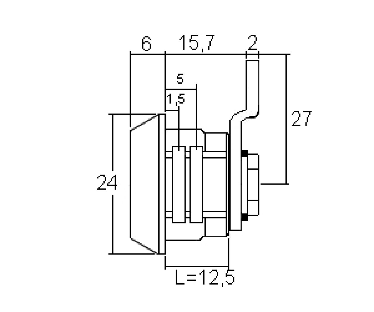
Cylindre à languette à écrou 9037 Rohner Serrure avec came R0327 pour boîte aux lettres UTZ avec 3 clés