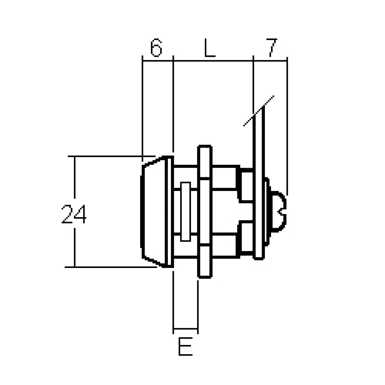
Cylindre à languette à écrou 1700 Rohner Serrure à cylindre avec came RM0550 pour boîte aux lettres WAGNER avec 2 clés