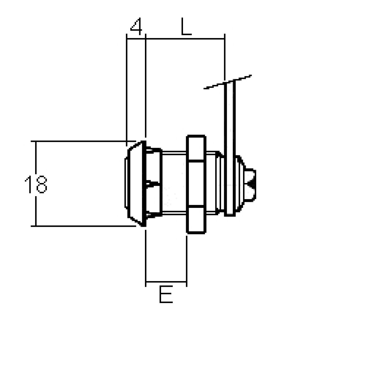
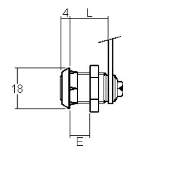
Cylindre à languette à écrou 1201 Rohner Serrure à cylindre avec came RM0025 idéal pour bois avec 2 clés