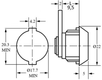
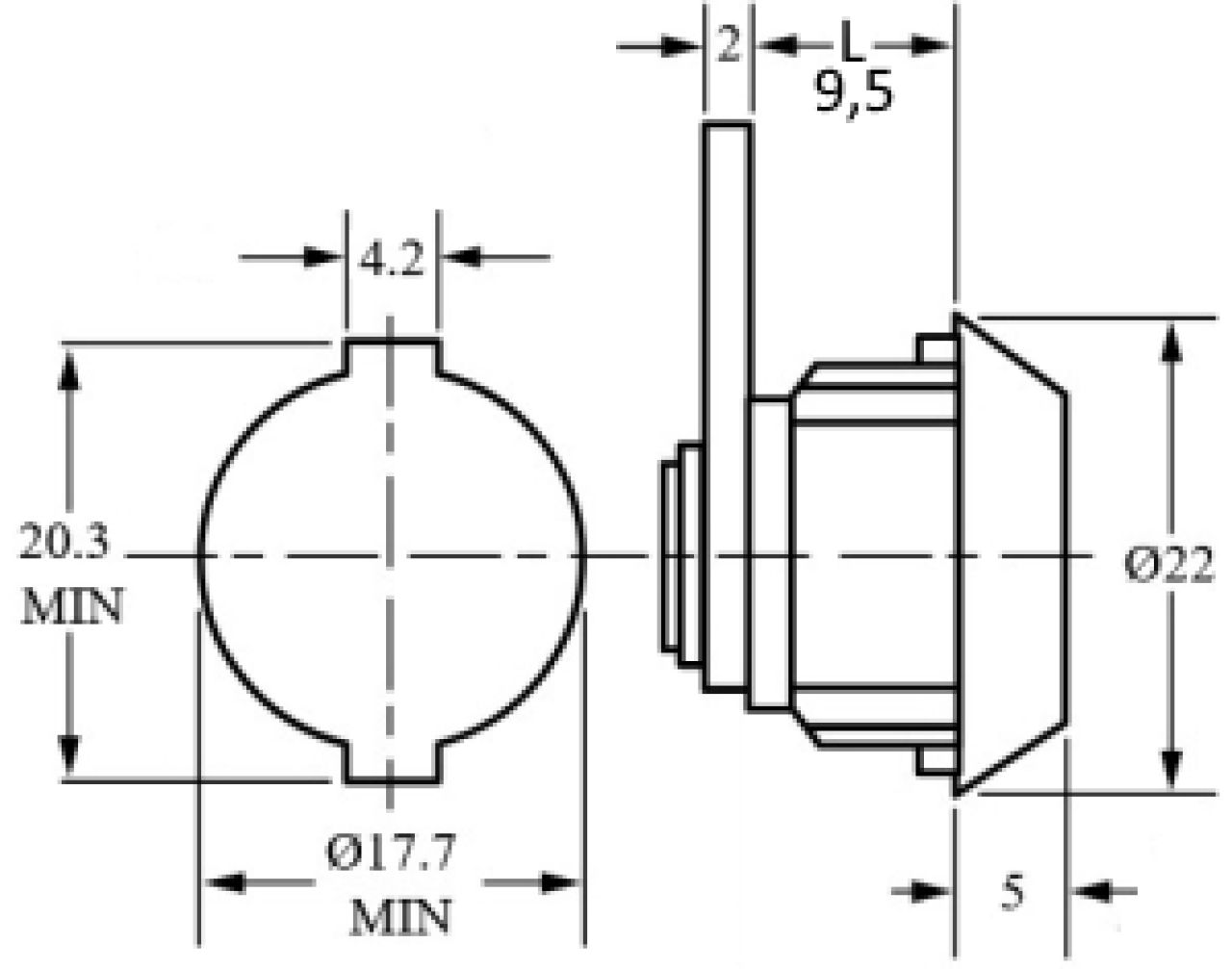
Cylindre à languette à fourchette 1112 Rohner Serrure à fourchette avec 5 cames pour boîte aux lettres RENZ avec 2 clés