Points clés
- Matériau : Laiton
- Couleur standard : Nickelé
- Avec des goupilles en acier trempé HRC60
- Adaptable aux portes a gauche ou a droite et aux tiroirs
- Clé retirable en position ouverte et fermée
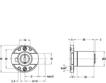
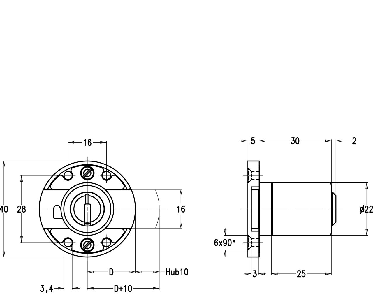
- Distance au canon 20, 30, 40, 50, 60, 80, 100 mm
- Longueur de cylindre 25, 30, 35, 40, 45, 50, 55, 60, 65, 70 mm
- Serrure en applique avec pêne dormant pour pose en applique ou à entailler.
Inclut
- 1 verrou
- 1 cylindre de meubles _3.008.025
Équipement spécial

| 1: Système | 4: 4000SΩ 3: 3000FPΩ, 3000SΩ, 3000S C: 2500FP 2: 2000SΩ, 2000S, 2000 reg., 2000 1: 1000SΩ, 1000S, 1000 reg., 1000 |
| 2: Matériau cylindre | 0: Laiton |
| 3: Longueur nominale | 25: 25 mm XX: Pas de 5 mm (voir l'annexe) |
| 4: Distance au canon | 20: 20 mm 30: 30 mm 40: 40 mm 50: 50 mm 60: 60 mm 80: 80 mm 100: 100 mm 600: 600 mm 700: 700 mm 999: 1000 mm |
| 5: Languettes | 2: Plat |
| 6: Position de la serrure | A: Tiroir C: Clapet L: Gauche R: Droite |
| 7: Couleur du cylindre | 2: nickelé 3: chromé mat 4: décor doré 5: bruni clair 8: chromé brillant |
| 8: Fonction fermeture | A: Clé retirable en position ouverte et fermée Z: Clé bloquée en position ouverte |
| 9: Protection contre la corrosion | N: sans protection anti-oxydation J: avec protection anti-oxydation |
