Points clés
- Boîtier-poignée et rosace de couleur standard : Nickelé; cylindre : Laiton
- Également disponible pour les armoires en métal, ainsi que sous forme de poignée borgne fixe ou tournante
- La poignée à cylindre est généralement à droite.
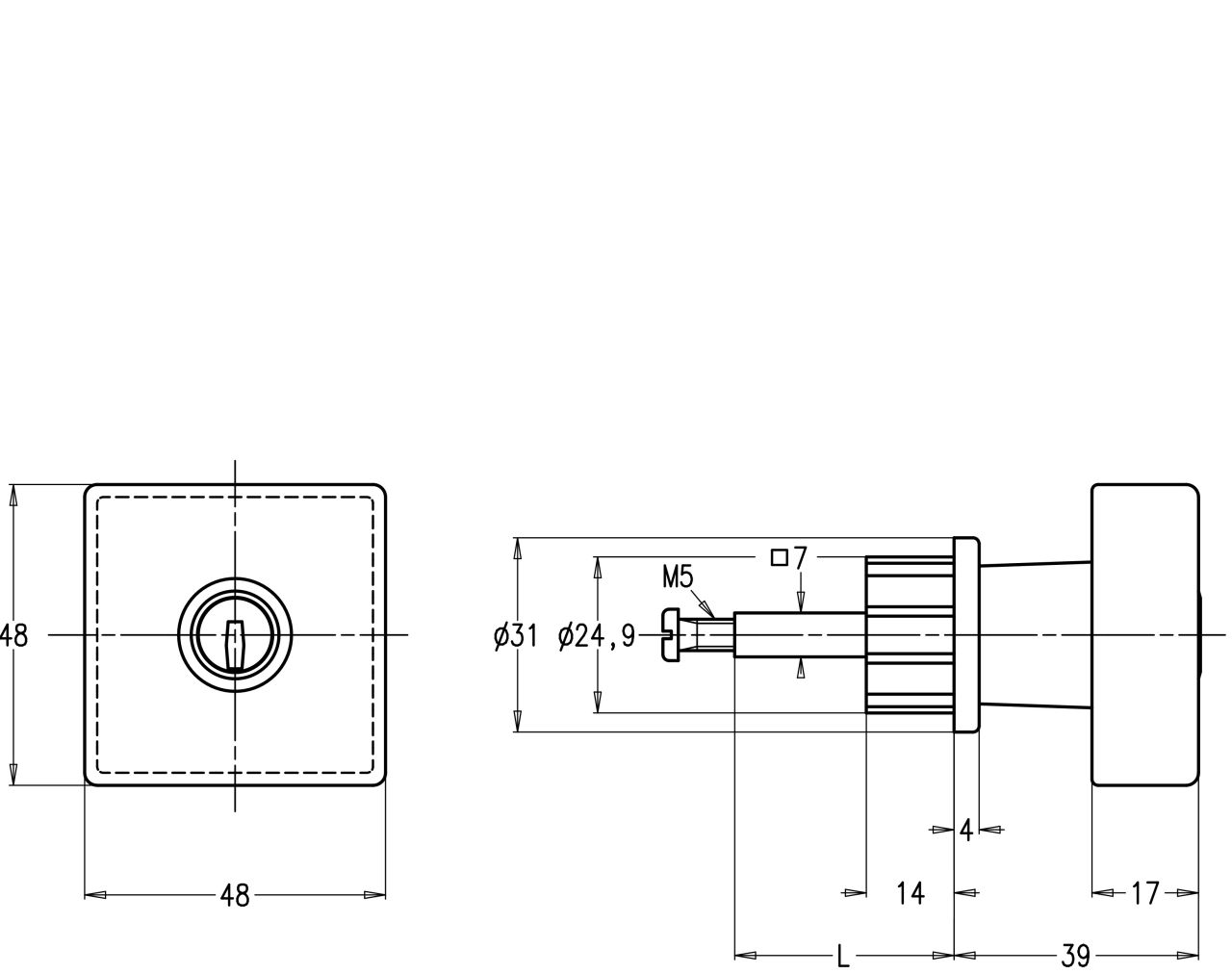
- La longueur de tige standard est de 35 ou 43 mm
- Clé retirable en position ouverte et fermée
- Toutes les poignées à cylindre pour montage bois sont livrées avec une rosace de réduction pour serrure espagnolette
- Adaptable à FERMA et TERZA
- Mouvement de fermeture avec clé 360°,
- Olive à cylindre carrée (Insert) pour serrures à espagnolettes et serrures à tringles traditionnelles avec tige carrée 7 × 7 mm
Inclut
- 1 olive à cylindre
- 1 rosace
Équipement spécial

| 1: Système | 9: 9000Ω² 8: 8000Ω² 6: 6000FP2 4: 4000SΩ C: 2500FP 2: 2000SΩ, 2000S, 2000 reg., 2000 |
| 2: Niveau de sécurité A | J: sans protection anti-perçage |
| 3: Fonction fermeture | 2: Clé retirable en position ouverte et fermée 3: Clé retirable en position fermée 5: Verrouillage automatique |
| 4: Direction d'ouverture | L: Porte DIN gauche R: Porte DIN droite |
| 5: Type entraîneur verrou | --: |
| 6: Rosace | G.001 D31 mm (A_PIM_Subtitle fehlt) G.001 D42 mm (A_PIM_Subtitle fehlt) G.003 40 mm carré (A_PIM_Subtitle fehlt) |
| 7: Longueur de tige | 33: 33 mm 35: 35 mm 43 mm (A_PIM_Subtitle fehlt) 150: 150 mm |
| 8: Couleur de l'olive | 2: nickelé 4: décor doré 5: bruni clair |
| 9: Protection contre la corrosion | A: EN1670 Kl. 3 |
