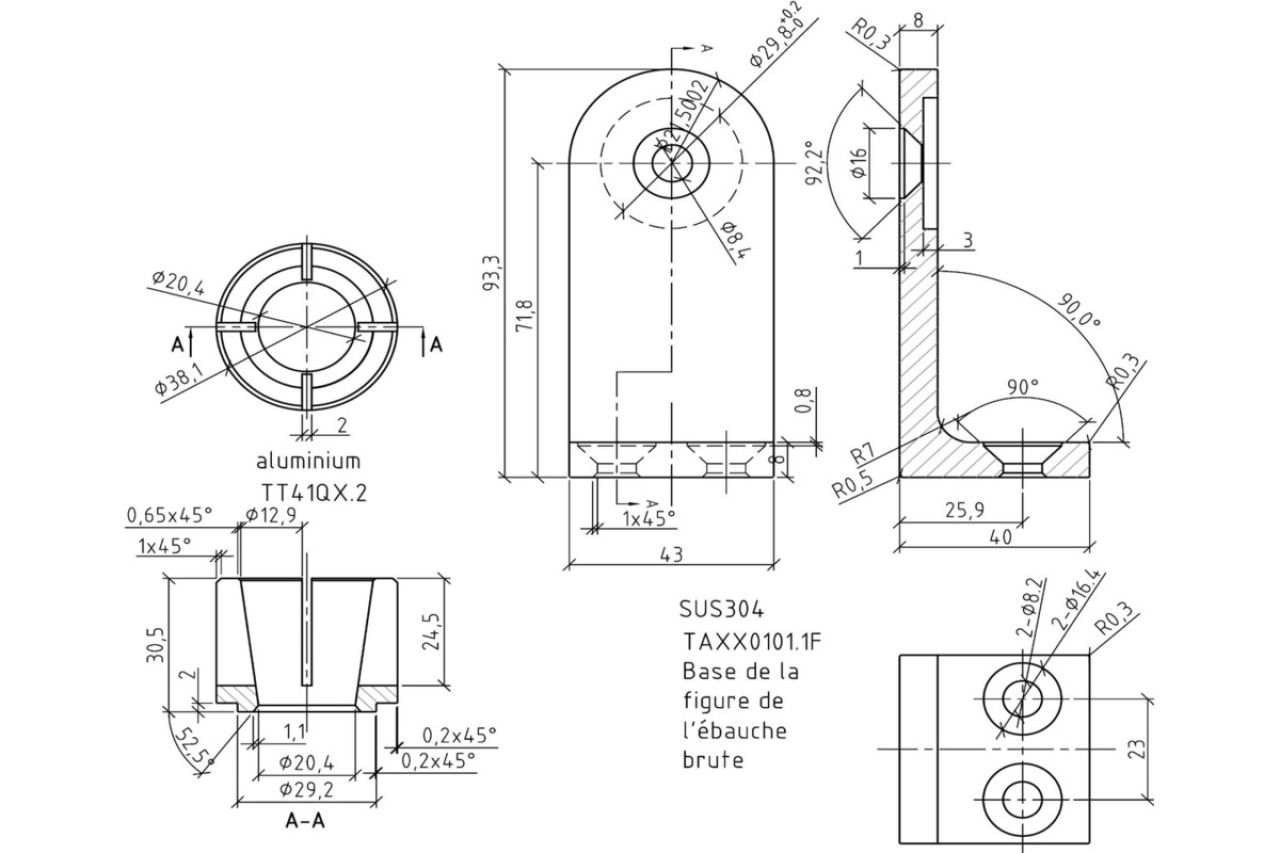
PIED DROIT, TAXX pour console de poignée de tirage Nickal Support pour tirant de porte TAXX, inox brossé, 93.3x43x40mm