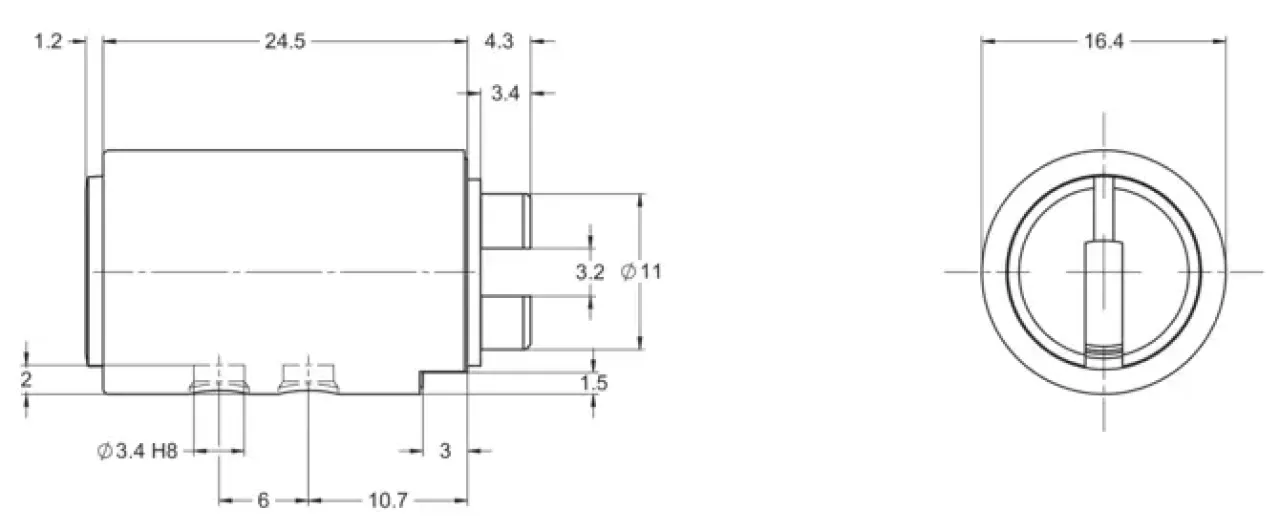
LOT de 5 inserts-cylindres Keso 8000 Omega2 - 81.J9E/40 KESO Insert-cylindre pour divers types de cylindres; matériau laiton; Longueur standard 40mm; avec des goupilles en acier trempé HRC60