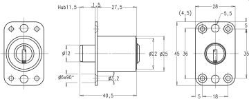
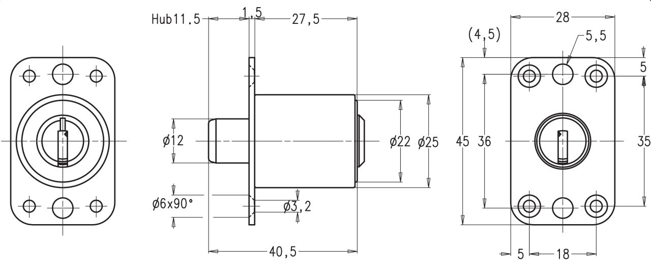
Cylindres à pression _3._40
Points clés
- Matériau : Laiton nickelé mat
- Avec des goupilles en acier trempé HRC60
- avec course de 12, 18 et 22 mm
- Avec plaque de fixation rectangulaire
- Attention : pour les courses de 18 et 22 mm, il faut sélectionner une Longueur nominale de 30 mm. Pour une course de 12 mm, seule la Longueur nominale 27 mm est disponible.
- Cylindre à pression avec différentes longueurs de course pour portes coulissantes, tableaux muraux, etc.
Inclut
- 1 cylindre de pression
- 1 douille de fermeture G.052
Équipement spécial

| 1: Système | 4: 4000SΩ 3: 3000FPΩ, 3000SΩ, 3000S 2: 2000SΩ, 2000S, 2000 reg., 2000 1: 1000SΩ, 1000S, 1000 reg., 1000 |
| 2: Matériau cylindre | 0: Laiton |
| 3: Fonction fermeture | 0: Ouverture et fermeture par clé A: Clé retirable en position ouverte et fermée Z: Clé bloquée en position ouverte |
| 4: Longueur nominale | 27 mm (A_PIM_Subtitle fehlt) 30: 30 mm |
| 5: Longueur de course | 12: 12 mm 18: 18 mm 22: 22 mm |
| 6: Couleur du cylindre | 2: nickelé 3: chromé mat 4: décor doré 5: bruni clair 8: chromé brillant |
| 7: Protection contre la corrosion | N: sans protection anti-oxydation J: avec protection anti-oxydation |
