Cylindre fermeture centrale _3.035
Points clés
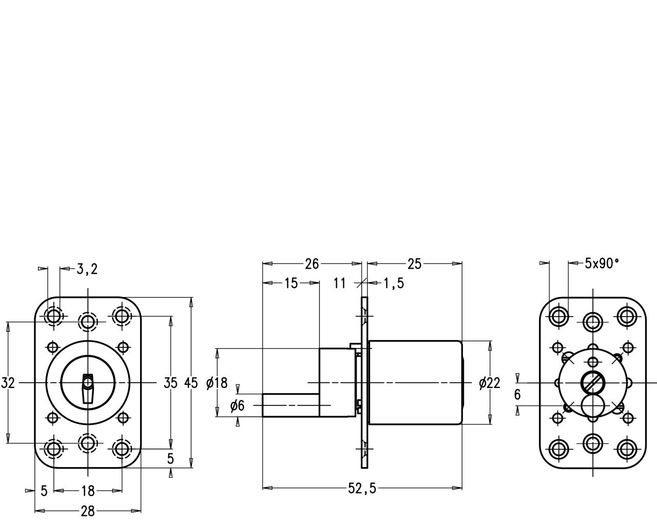
- Matériau : Laiton
- Avec des goupilles en acier trempé HRC60
- Avec plaque de fixation fixe
- Type de fixation de la plaque mentionné sur le croquis
- Variante : Disponible également avec une plaque de fixation ronde de 35 mm
- Mouvement de la clé 360°
- Mouvement de l'entraîneur 180°
- Ce cylindre de fermeture centrale est adapté pour les meubles de bureau, etc.
Inclut
- 1 cylindre de fermeture centrale
Équipement spécial

| 1: Système | 9: 9000Ω² 8: 8000Ω² |
| 2: Matériau cylindre | 0: Laiton |
| 3: Type entraîneur verrou | (A_PIM_Subtitle fehlt) (A_PIM_Subtitle fehlt) (A_PIM_Subtitle fehlt) (A_PIM_Subtitle fehlt) (A_PIM_Subtitle fehlt) |
| 4: Figure entraîneur verrou | 10: Figure 10 12: Figure 12 14: Figure 14 16: Figure 16 |
| 5: Longueur nominale | 25: 25 mm XX: Pas de 5 mm (voir l'annexe) |
| 6: Retrait de la clé | 10: Clé retirable en position ouverte et fermée 20: Clé retirable uniquement en position fermée |
| 7: Dimension de la plaque d fixation | G1: 28 x 45 carré, vertical G2: 28 x 45 carré, horizontal K1: 22 x 35 carré, vertical K2: 22 x 35 carré, horizontal R3: Ø35 / trous de fixation ronds standard |
| 8: Couleur du cylindre | 2: nickelé |
| 9: Protection contre la corrosion | A: EN1670 Kl. 3 |
